Metrische Stab endet.
Baustoffgeschäfte, Fertigungsstätte, Maschinenreparaturwerkstätten, Food & Getränk Fabrik, Bauarbeiten, Energie- und Bergbau
Ningbo, China.
Ningbo LEHONB MACHINERY Co., Ltd
| Verfügbarkeitsstatus: | |
|---|---|
| Menge: | |
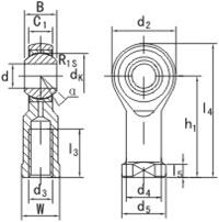
| Teil-Nr. | Abmessungen mm. | Laden von KN. | Gewicht | ||||||||||||||
| d | d3. | B | C1. | L3. | W | d2. | H1. | L4. | L5. | d4. | d5. | Dk | a | dyna | stat. | kg | |
| 6h | Mindest | ≈ | C | C0. | |||||||||||||
| SSI5T / K. | 5 | M5x0.8. | 8 | 6 | 10 | 9 | 18 | 27 | 36 | 4 | 8.5 | 11 | 11.11 | 13 | 5.7 | 6 | 0.016 |
| SSI6T / K. | 6 | M6x1.0. | 9 | 6.75 | 12 | 11 | 20 | 30 | 40 | 5 | 10 | 13 | 12.7 | 13 | 7.2 | 7.65 | 0.022 |
| SSI8T / K. | 8 | M8x1.25. | 12 | 9 | 16 | 14 | 24 | 36 | 48 | 5 | 12.5 | 16 | 15.875 | 14 | 11.6 | 12.9 | 0.047 |
| SSI10T / K. | 10 | M10x1.5. | 14 | 10.5 | 20 | 17 | 28 | 43 | 57 | 6.5 | 15 | 19 | 19.05 | 13 | 14.5 | 18 | 0.077 |
| SSI10T / K -1 | 10 | M10x1.25. | 14 | 10.5 | 20 | 17 | 28 | 43 | 57 | 6.5 | 15 | 19 | 19.05 | 13 | 14.5 | 18.0 | 0.077 |
| SSI12T / K. | 12 | M12x1.75. | 16 | 12 | 22 | 19 | 32 | 50 | 66 | 6.5 | 17.5 | 22 | 22.225 | 13 | 17.0 | 24.0 | 0.100 |
| SSI12T / K-1 | 12 | M12x1.25. | 16 | 12 | 22 | 19 | 32 | 50 | 66 | 6.5 | 17.5 | 22 | 22.225 | 13 | 17.0 | 24.0 | 0.100 |
| SSI14T / K. | 14 | M14x2.0. | 19 | 13.5 | 25 | 22 | 36 | 57 | 75 | 8 | 20 | 25 | 25.40 | 16 | 24.0 | 31.0 | 0.160 |
| SSI14T / K-1 | 14 | M14x1.5. | 19 | 13.5 | 25 | 22 | 36 | 57 | 75 | 8 | 20 | 25 | 25.4 | 16 | 24 | 31 | 0.160 |
| SSI16T / K. | 16 | M16X2.0. | 21 | 15 | 28 | 22 | 42 | 64 | 85 | 8 | 22 | 27 | 28.575 | 15 | 28.5 | 39.0 | 0.220 |
| SSI16T / K-1 | 16 | M16X1.5. | 21 | 15 | 28 | 22 | 42 | 64 | 85 | 8 | 22 | 27 | 28.575 | 15 | 28.5 | 39.0 | 0.220 |
| SSI18T / K. | 18 | M18x1.5. | 23 | 16.5 | 32 | 27 | 44 | 71 | 93 | 10 | 25 | 31 | 31.75 | 15 | 42.5 | 47.5 | 0.320 |
| SSI20T / K. | 20 | M20x1.5. | 25 | 18 | 33 | 30 | 50 | 77 | 102 | 10 | 27.5 | 34 | 34.925 | 14 | 42.5 | 57.0 | 0.420 |
| SSI22T / K. | 22 | M22X1.5. | 28 | 20 | 37 | 32 | 54 | 84 | 111 | 12 | 30 | 38 | 38.10 | 15 | 57.0 | 68.0 | 0.540 |
| SSI25T / K. | 25 | M24x2.0. | 31 | 22 | 42 | 36 | 60 | 94 | 124 | 12 | 33.5 | 42 | 42.85 | 15 | 68.0 | 85.0 | 0.720 |
| SSI28T / K. | 28 | M27X2.0. | 35 | 24 | 51 | 41 | 66 | 103 | 136 | 14 | 37 | 46 | 47.6 | 15 | 86.0 | 107.0 | 0.820 |
| SSI30T / K. | 30 | M30x2.0. | 37 | 25 | 51 | 41 | 70 | 110 | 145 | 15 | 40 | 50 | 50.80 | 17 | 88.0 | 114.0 | 1.100 |
| SSI30T / K-1 | 30 | M27X2.0. | 37 | 25 | 51 | 41 | 70 | 110 | 145 | 15 | 40 | 50 | 50.8 | 17 | 88.0 | 114.0 | 1.100 |
| SSI35T / K. | 35 | M36x2.0. | 43 | 28 | 56 | 50 | 81 | 125 | 165.5 | 17 | 46 | 58 | 57.1 | 16 | - | - | 1.600 |
| SSI40T / K. | 40 | M42x2.0. | 49 | 33 | 60 | 55 | 91 | 142 | 187.5 | 19 | 53 | 65 | 66.60 | 17 | - | - | 2.400 |
| SSI50T / K. | 50 | M48x2.0. | 60 | 45 | 65 | 65 | 117 | 160 | 218.5 | 23 | 65 | 75 | 82.50 | 12 | - | - | 5.000 |
-Right & Linker-Hand-Faden.
-Körper
• Edelstahl 304,316,316L usw.
-Ball
• 440c oder andere.
-Outer Rennen mit Bronze-Liner und PTFE ausgekleidet.
-Für-Links-Thread, bitte Surffix \"l \", E.g.sil18t / k.
| Teil-Nr. | Abmessungen mm. | Laden von KN. | Gewicht | ||||||||||||||
| d | d3. | B | C1. | L3. | W | d2. | H1. | L4. | L5. | d4. | d5. | Dk | a | dyna | stat. | kg | |
| 6h | Mindest | ≈ | C | C0. | |||||||||||||
| SSI5T / K. | 5 | M5x0.8. | 8 | 6 | 10 | 9 | 18 | 27 | 36 | 4 | 8.5 | 11 | 11.11 | 13 | 5.7 | 6 | 0.016 |
| SSI6T / K. | 6 | M6x1.0. | 9 | 6.75 | 12 | 11 | 20 | 30 | 40 | 5 | 10 | 13 | 12.7 | 13 | 7.2 | 7.65 | 0.022 |
| SSI8T / K. | 8 | M8x1.25. | 12 | 9 | 16 | 14 | 24 | 36 | 48 | 5 | 12.5 | 16 | 15.875 | 14 | 11.6 | 12.9 | 0.047 |
| SSI10T / K. | 10 | M10x1.5. | 14 | 10.5 | 20 | 17 | 28 | 43 | 57 | 6.5 | 15 | 19 | 19.05 | 13 | 14.5 | 18 | 0.077 |
| SSI10T / K -1 | 10 | M10x1.25. | 14 | 10.5 | 20 | 17 | 28 | 43 | 57 | 6.5 | 15 | 19 | 19.05 | 13 | 14.5 | 18.0 | 0.077 |
| SSI12T / K. | 12 | M12x1.75. | 16 | 12 | 22 | 19 | 32 | 50 | 66 | 6.5 | 17.5 | 22 | 22.225 | 13 | 17.0 | 24.0 | 0.100 |
| SSI12T / K-1 | 12 | M12x1.25. | 16 | 12 | 22 | 19 | 32 | 50 | 66 | 6.5 | 17.5 | 22 | 22.225 | 13 | 17.0 | 24.0 | 0.100 |
| SSI14T / K. | 14 | M14x2.0. | 19 | 13.5 | 25 | 22 | 36 | 57 | 75 | 8 | 20 | 25 | 25.40 | 16 | 24.0 | 31.0 | 0.160 |
| SSI14T / K-1 | 14 | M14x1.5. | 19 | 13.5 | 25 | 22 | 36 | 57 | 75 | 8 | 20 | 25 | 25.4 | 16 | 24 | 31 | 0.160 |
| SSI16T / K. | 16 | M16X2.0. | 21 | 15 | 28 | 22 | 42 | 64 | 85 | 8 | 22 | 27 | 28.575 | 15 | 28.5 | 39.0 | 0.220 |
| SSI16T / K-1 | 16 | M16X1.5. | 21 | 15 | 28 | 22 | 42 | 64 | 85 | 8 | 22 | 27 | 28.575 | 15 | 28.5 | 39.0 | 0.220 |
| SSI18T / K. | 18 | M18x1.5. | 23 | 16.5 | 32 | 27 | 44 | 71 | 93 | 10 | 25 | 31 | 31.75 | 15 | 42.5 | 47.5 | 0.320 |
| SSI20T / K. | 20 | M20x1.5. | 25 | 18 | 33 | 30 | 50 | 77 | 102 | 10 | 27.5 | 34 | 34.925 | 14 | 42.5 | 57.0 | 0.420 |
| SSI22T / K. | 22 | M22X1.5. | 28 | 20 | 37 | 32 | 54 | 84 | 111 | 12 | 30 | 38 | 38.10 | 15 | 57.0 | 68.0 | 0.540 |
| SSI25T / K. | 25 | M24x2.0. | 31 | 22 | 42 | 36 | 60 | 94 | 124 | 12 | 33.5 | 42 | 42.85 | 15 | 68.0 | 85.0 | 0.720 |
| SSI28T / K. | 28 | M27X2.0. | 35 | 24 | 51 | 41 | 66 | 103 | 136 | 14 | 37 | 46 | 47.6 | 15 | 86.0 | 107.0 | 0.820 |
| SSI30T / K. | 30 | M30x2.0. | 37 | 25 | 51 | 41 | 70 | 110 | 145 | 15 | 40 | 50 | 50.80 | 17 | 88.0 | 114.0 | 1.100 |
| SSI30T / K-1 | 30 | M27X2.0. | 37 | 25 | 51 | 41 | 70 | 110 | 145 | 15 | 40 | 50 | 50.8 | 17 | 88.0 | 114.0 | 1.100 |
| SSI35T / K. | 35 | M36x2.0. | 43 | 28 | 56 | 50 | 81 | 125 | 165.5 | 17 | 46 | 58 | 57.1 | 16 | - | - | 1.600 |
| SSI40T / K. | 40 | M42x2.0. | 49 | 33 | 60 | 55 | 91 | 142 | 187.5 | 19 | 53 | 65 | 66.60 | 17 | - | - | 2.400 |
| SSI50T / K. | 50 | M48x2.0. | 60 | 45 | 65 | 65 | 117 | 160 | 218.5 | 23 | 65 | 75 | 82.50 | 12 | - | - | 5.000 |
-Right & Linker-Hand-Faden.
-Körper
• Edelstahl 304,316,316L usw.
-Ball
• 440c oder andere.
-Outer Rennen mit Bronze-Liner und PTFE ausgekleidet.
-Für-Links-Thread, bitte Surffix \"l \", E.g.sil18t / k.
Inhalt ist leer!