Zollstab endet.
Baustoffgeschäfte, Fertigungsstätte, Maschinenreparaturwerkstätten, Food & Getränk Fabrik, Bauarbeiten, Energie- und Bergbau
Ningbo, China.
Ningbo LEHONB MACHINERY Co., Ltd
| Verfügbarkeitsstatus: | |
|---|---|
| Menge: | |
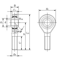
| Teil-Nr. | Abmessungen mm. | Laden von KN. | Gewicht | |||||||||||
| d | d3. | B | C1. | L1. | d2. | h | L2. | d1. | R1s. | a | dyna | stat. | kg | |
| 3a. | C | C0. | ||||||||||||
| SAZP4S. | 4.826 | 10-32. | 7.925 | 6.35 | 19.05 | 15.88 | 31.75 | 39.7 | 7.79 | 0.3 | 10 | 3.4 | 3.8 | 0.013 |
| SAZP6S. | 6.35 | 1/4-28. | 9.525 | 7.14 | 25.4 | 19.05 | 39.67 | 49.2 | 8.4 | 0.3 | 13 | 4.5 | 6.6 | 0.022 |
| SAZP7S. | 7.938 | 5/16-24. | 11.1 | 8.74 | 31.75 | 22.23 | 47.63 | 58.72 | 11.35 | 0.3 | 10 | 6.9 | 8.4 | 0.037 |
| Sazp9s. | 9.525 | 3/8-24. | 12.7 | 10.31 | 31.75 | 25.4 | 49.23 | 61.93 | 14.2 | 0.6 | 9 | 9.4 | 10 | 0.055 |
| SAZP11S. | 11.113 | 7/16-20. | 14.275 | 11.1 | 34.95 | 28.58 | 53.98 | 68.28 | 12.62 | 0.6 | 11 | 11 | 13 | 0.078 |
| SAZP12s. | 12.7 | 1/2-20. | 15.875 | 12.7 | 38.1 | 33.32 | 61.93 | 78.59 | 15.55 | 0.6 | 9 | 15 | 19 | 0.12 |
| SAZP15S. | 15.875 | 5/8-18. | 19.05 | 14.27 | 41.28 | 38.1 | 68.68 | 85.73 | 21.3 | 0.6 | 11 | 20 | 21 | 0.18 |
| Sazp19s. | 19.05 | 3/4-16. | 22.225 | 17.45 | 44.45 | 44.45 | 73.03 | 95.25 | 22.67 | 0.6 | 10 | 29 | 29 | 0.29 |
| SAZP25S. | 25.4 | 5/4-12. | 34.93 | 25.4 | 53.98 | 69.85 | 104.78 | 139.7 | 36.89 | 0.6 | 14 | 60 | 101 | 1.1 |
-Rod-Körper mit rechts oder linker männlicher Faden.
-Outer Rennen mit Bronze-Liner ausgekleidet.
-Surface des Stabkörpers verzinkt.
-In Zoll-Dimensionserie.
-Für-Links-Thread, bitte surffix \"l \", E.s.salzp15s.
| Teil-Nr. | Abmessungen mm. | Laden von KN. | Gewicht | |||||||||||
| d | d3. | B | C1. | L1. | d2. | h | L2. | d1. | R1s. | a | dyna | stat. | kg | |
| 3a. | C | C0. | ||||||||||||
| SAZP4S. | 4.826 | 10-32. | 7.925 | 6.35 | 19.05 | 15.88 | 31.75 | 39.7 | 7.79 | 0.3 | 10 | 3.4 | 3.8 | 0.013 |
| SAZP6S. | 6.35 | 1/4-28. | 9.525 | 7.14 | 25.4 | 19.05 | 39.67 | 49.2 | 8.4 | 0.3 | 13 | 4.5 | 6.6 | 0.022 |
| SAZP7S. | 7.938 | 5/16-24. | 11.1 | 8.74 | 31.75 | 22.23 | 47.63 | 58.72 | 11.35 | 0.3 | 10 | 6.9 | 8.4 | 0.037 |
| Sazp9s. | 9.525 | 3/8-24. | 12.7 | 10.31 | 31.75 | 25.4 | 49.23 | 61.93 | 14.2 | 0.6 | 9 | 9.4 | 10 | 0.055 |
| SAZP11S. | 11.113 | 7/16-20. | 14.275 | 11.1 | 34.95 | 28.58 | 53.98 | 68.28 | 12.62 | 0.6 | 11 | 11 | 13 | 0.078 |
| SAZP12s. | 12.7 | 1/2-20. | 15.875 | 12.7 | 38.1 | 33.32 | 61.93 | 78.59 | 15.55 | 0.6 | 9 | 15 | 19 | 0.12 |
| SAZP15S. | 15.875 | 5/8-18. | 19.05 | 14.27 | 41.28 | 38.1 | 68.68 | 85.73 | 21.3 | 0.6 | 11 | 20 | 21 | 0.18 |
| Sazp19s. | 19.05 | 3/4-16. | 22.225 | 17.45 | 44.45 | 44.45 | 73.03 | 95.25 | 22.67 | 0.6 | 10 | 29 | 29 | 0.29 |
| SAZP25S. | 25.4 | 5/4-12. | 34.93 | 25.4 | 53.98 | 69.85 | 104.78 | 139.7 | 36.89 | 0.6 | 14 | 60 | 101 | 1.1 |
-Rod-Körper mit rechts oder linker männlicher Faden.
-Outer Rennen mit Bronze-Liner ausgekleidet.
-Surface des Stabkörpers verzinkt.
-In Zoll-Dimensionserie.
-Für-Links-Thread, bitte surffix \"l \", E.s.salzp15s.
Inhalt ist leer!