Zollstab endet.
Baustoffgeschäfte, Fertigungsstätte, Maschinenreparaturwerkstätten, Food & Getränk Fabrik, Bauarbeiten, Energie- und Bergbau
Ningbo, China.
Ningbo LEHONB MACHINERY Co., Ltd
| Verfügbarkeitsstatus: | |
|---|---|
| Menge: | |
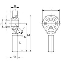
| Teil-Nr. | Abmessungen mm. | Laden von KN. | Gewicht | |||||||||||
| d | d3. | B | C1. | L1. | d2. | h | L2. | d1. | R1s. | a | dyna | stat. | kg | |
| 3a. | Mindest | Mindest | ≈ | C | C0. | |||||||||
| Sazj4 * | 5.00 | 10-32. | 8.00 | 6.00 | 19.00 | 16.00 | 32.00 | 40.00 | 8 | 0 | 10 | 4 | 4 | 0.014 |
| Sazj6 * | 6.35 | 1/4-28. | 9.53 | 6.35 | 25.40 | 19.05 | 39.67 | 49.20 | 8.4 | 0.3 | 13.5 | 5.4 | 6.6 | 0.018 |
| Sazj7 * | 8.00 | 5/16-24. | 11.00 | 8.00 | 32.00 | 22.00 | 48.00 | 59.00 | 11 | 0 | 11 | 9 | 12 | 0.032 |
| Sazj9. | 9.525 | 3/8-24. | 12.70 | 9.12 | 31.75 | 25.40 | 49.23 | 61.93 | 13.1 | 0.6 | 11 | 11 | 16 | 0.05 |
| Sazj11. | 11.00 | 7/16-20. | 14.00 | 10.00 | 35.00 | 29.00 | 54.00 | 68.00 | 15 | 1 | 11 | 14 | 21 | 0.068 |
| Sazj12. | 12.70 | 1/2-20. | 15.88 | 11.50 | 38.10 | 33.32 | 61.93 | 78.59 | 17.7 | 0.6 | 10 | 18 | 28 | 0.11 |
| Sazj15. | 16.00 | 5/8-18. | 19.00 | 12.00 | 41.00 | 38.00 | 67.00 | 86.00 | 21 | 1 | 13 | 23 | 29 | 0.16 |
| Sazj19. | 19.05 | 3/4-16. | 22.23 | 15.06 | 44.45 | 44.45 | 73.03 | 95.25 | 24.8 | 0.6 | 12 | 34 | 44 | 0.26 |
-Rod-Körper mit rechts oder linker männlicher Faden.
-Outer Rennen mit Bronze-Liner ausgekleidet.
-Surface des Stabkörpers verzinkt.
-In Zoll-Dimensionserie.
-Für-Linksfaden, bitte Surffix \"l \", E.g.salzj 15.
Loch- oder Fettnippel ist für Größen nicht verfügbar, die gekennzeichnet sind\"* \".
- Wenn ein Fettnippel für andere Größen benötigt wird, benutzen Sie bitte den Rund Nr. Sazj..s.
Last-Ratings gelten nur für Stabenden, ohne das Schmierloch- oder Fettnippel zu schmieren.
| Teil-Nr. | Abmessungen mm. | Laden von KN. | Gewicht | |||||||||||
| d | d3. | B | C1. | L1. | d2. | h | L2. | d1. | R1s. | a | dyna | stat. | kg | |
| 3a. | Mindest | Mindest | ≈ | C | C0. | |||||||||
| Sazj4 * | 5.00 | 10-32. | 8.00 | 6.00 | 19.00 | 16.00 | 32.00 | 40.00 | 8 | 0 | 10 | 4 | 4 | 0.014 |
| Sazj6 * | 6.35 | 1/4-28. | 9.53 | 6.35 | 25.40 | 19.05 | 39.67 | 49.20 | 8.4 | 0.3 | 13.5 | 5.4 | 6.6 | 0.018 |
| Sazj7 * | 8.00 | 5/16-24. | 11.00 | 8.00 | 32.00 | 22.00 | 48.00 | 59.00 | 11 | 0 | 11 | 9 | 12 | 0.032 |
| Sazj9. | 9.525 | 3/8-24. | 12.70 | 9.12 | 31.75 | 25.40 | 49.23 | 61.93 | 13.1 | 0.6 | 11 | 11 | 16 | 0.05 |
| Sazj11. | 11.00 | 7/16-20. | 14.00 | 10.00 | 35.00 | 29.00 | 54.00 | 68.00 | 15 | 1 | 11 | 14 | 21 | 0.068 |
| Sazj12. | 12.70 | 1/2-20. | 15.88 | 11.50 | 38.10 | 33.32 | 61.93 | 78.59 | 17.7 | 0.6 | 10 | 18 | 28 | 0.11 |
| Sazj15. | 16.00 | 5/8-18. | 19.00 | 12.00 | 41.00 | 38.00 | 67.00 | 86.00 | 21 | 1 | 13 | 23 | 29 | 0.16 |
| Sazj19. | 19.05 | 3/4-16. | 22.23 | 15.06 | 44.45 | 44.45 | 73.03 | 95.25 | 24.8 | 0.6 | 12 | 34 | 44 | 0.26 |
-Rod-Körper mit rechts oder linker männlicher Faden.
-Outer Rennen mit Bronze-Liner ausgekleidet.
-Surface des Stabkörpers verzinkt.
-In Zoll-Dimensionserie.
-Für-Linksfaden, bitte Surffix \"l \", E.g.salzj 15.
Loch- oder Fettnippel ist für Größen nicht verfügbar, die gekennzeichnet sind\"* \".
- Wenn ein Fettnippel für andere Größen benötigt wird, benutzen Sie bitte den Rund Nr. Sazj..s.
Last-Ratings gelten nur für Stabenden, ohne das Schmierloch- oder Fettnippel zu schmieren.
Inhalt ist leer!