Zollstab endet.
Baustoffgeschäfte, Fertigungsstätte, Maschinenreparaturwerkstätten, Food & Getränk Fabrik, Bauarbeiten, Energie- und Bergbau
Ningbo, China.
Ningbo LEHONB MACHINERY Co., Ltd
| Verfügbarkeitsstatus: | |
|---|---|
| Menge: | |
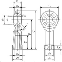
| Teil-Nr. | Abmessungen mm. | Laden von KN. | Gewicht | |||||||||||||||
| d | d3. | B | C1. | d1. | R1s. | d2. | H1. | L3. | L4. | L5. | d4. | d5. | w | a | dyna | stat. | kg | |
| 2b | Mindest | ≈ | C | C0. | ||||||||||||||
| Sizj4 * | 4.826 | 10-32. | 7.92 | 5.94 | 7.8 | 0.3 | 15.88 | 26.97 | 12.7 | 34.93 | 4.75 | 7.54 | 10.31 | 7.92 | 10 | 3.6 | 6.8 | 0.018 |
| Sizj6 * | 6.35 | 1/4-28. | 9.53 | 6.35 | 8.4 | 0.3 | 19.05 | 33.32 | 15.88 | 42.85 | 4.75 | 9.15 | 11.91 | 9.53 | 13.5 | 5.4 | 9.6 | 0.023 |
| Sizj7 * | 7.938 | 5/16-24. | 11.1 | 7.92 | 11.4 | 0.3 | 22.23 | 34.93 | 15.88 | 46.02 | 4.75 | 10.72 | 12.7 | 11.10 | 11 | 8.5 | 12 | 0.036 |
| Sizj9. | 9.525 | 3/8-24. | 12.7 | 9.12 | 13.1 | 0.6 | 25.4 | 41.28 | 19.05 | 53.98 | 6.35 | 13.89 | 17.45 | 14.27 | 11 | 11 | 16 | 0.059 |
| Sizj11. | 11.11 | 7/16-20. | 14.27 | 10.31 | 14.9 | 0.6 | 28.58 | 46.02 | 22.23 | 60.33 | 6.35 | 15.49 | 19.05 | 15.88 | 10.5 | 14 | 21 | 0.082 |
| Sizj12. | 12.7 | 1/2-20. | 15.88 | 11.5 | 17.7 | 0.6 | 33.32 | 53.98 | 25.4 | 70.64 | 6.35 | 18.67 | 22.23 | 19.05 | 10 | 18 | 28 | 0.132 |
| Sizj15. | 15.88 | 5/8-18. | 19.05 | 12.29 | 21.3 | 0.6 | 38.1 | 63.5 | 31.75 | 85.55 | 7.92 | 21.84 | 25.4 | 22.23 | 13 | 23 | 29 | 0.195 |
| Sizj19. | 19.05 | 3/4-16. | 22.23 | 15.06 | 24.8 | 0.6 | 44.45 | 73.03 | 34.93 | 95.25 | 7.92 | 25.02 | 28.58 | 25.4 | 12 | 34 | 44 | 0.295 |
-Rod-Körper mit rechts oder linker männlicher Faden.
-Rod-Körper um den Innenring drückt.
-Surface des Stabkörpers verzinkt.
-In Zoll-Dimensionserie.
-Für linker Thread, bitte surffix \"l \", E.g.sizj 15.
Loch- oder Fettnippel ist für Größen nicht verfügbar, die gekennzeichnet sind\"* \".
- Wenn ein Fettnippel für andere Größen erforderlich ist, benutzen Sie bitte das Zeichen Sizj..s.
| Teil-Nr. | Abmessungen mm. | Laden von KN. | Gewicht | |||||||||||||||
| d | d3. | B | C1. | d1. | R1s. | d2. | H1. | L3. | L4. | L5. | d4. | d5. | w | a | dyna | stat. | kg | |
| 2b | Mindest | ≈ | C | C0. | ||||||||||||||
| Sizj4 * | 4.826 | 10-32. | 7.92 | 5.94 | 7.8 | 0.3 | 15.88 | 26.97 | 12.7 | 34.93 | 4.75 | 7.54 | 10.31 | 7.92 | 10 | 3.6 | 6.8 | 0.018 |
| Sizj6 * | 6.35 | 1/4-28. | 9.53 | 6.35 | 8.4 | 0.3 | 19.05 | 33.32 | 15.88 | 42.85 | 4.75 | 9.15 | 11.91 | 9.53 | 13.5 | 5.4 | 9.6 | 0.023 |
| Sizj7 * | 7.938 | 5/16-24. | 11.1 | 7.92 | 11.4 | 0.3 | 22.23 | 34.93 | 15.88 | 46.02 | 4.75 | 10.72 | 12.7 | 11.10 | 11 | 8.5 | 12 | 0.036 |
| Sizj9. | 9.525 | 3/8-24. | 12.7 | 9.12 | 13.1 | 0.6 | 25.4 | 41.28 | 19.05 | 53.98 | 6.35 | 13.89 | 17.45 | 14.27 | 11 | 11 | 16 | 0.059 |
| Sizj11. | 11.11 | 7/16-20. | 14.27 | 10.31 | 14.9 | 0.6 | 28.58 | 46.02 | 22.23 | 60.33 | 6.35 | 15.49 | 19.05 | 15.88 | 10.5 | 14 | 21 | 0.082 |
| Sizj12. | 12.7 | 1/2-20. | 15.88 | 11.5 | 17.7 | 0.6 | 33.32 | 53.98 | 25.4 | 70.64 | 6.35 | 18.67 | 22.23 | 19.05 | 10 | 18 | 28 | 0.132 |
| Sizj15. | 15.88 | 5/8-18. | 19.05 | 12.29 | 21.3 | 0.6 | 38.1 | 63.5 | 31.75 | 85.55 | 7.92 | 21.84 | 25.4 | 22.23 | 13 | 23 | 29 | 0.195 |
| Sizj19. | 19.05 | 3/4-16. | 22.23 | 15.06 | 24.8 | 0.6 | 44.45 | 73.03 | 34.93 | 95.25 | 7.92 | 25.02 | 28.58 | 25.4 | 12 | 34 | 44 | 0.295 |
-Rod-Körper mit rechts oder linker männlicher Faden.
-Rod-Körper um den Innenring drückt.
-Surface des Stabkörpers verzinkt.
-In Zoll-Dimensionserie.
-Für linker Thread, bitte surffix \"l \", E.g.sizj 15.
Loch- oder Fettnippel ist für Größen nicht verfügbar, die gekennzeichnet sind\"* \".
- Wenn ein Fettnippel für andere Größen erforderlich ist, benutzen Sie bitte das Zeichen Sizj..s.
Inhalt ist leer!